logo
Отправить сообщение

Трубы /Alloy углерода стальные, трубы ERW стальные, API 5L LSAW&SSAW, штуцеры трубы BW ASME B16.9/MSS SP-75, фланцы ASME B16.5/16.47 стальные, ASME B16.11/MSS SP-97 выковали штуцеры, запорные заслонки ножа, клапан-бабочек, шариковые клапаны, нормальные вентили, клапаны API

Домой
Продукты
О нас
Экскурсия по заводу
Контроль качества
Свяжитесь с нами
Отправить запрос
Новости

Тройник сварки гнезда

Socket weld Tee
Socket weld Tee

Большие изображения :  Тройник сварки гнезда Лучшая цена

Подробная информация о продукте:
Подробное описание продукта

тройник сварки гнезда тройник сварки гнезда тройник сварки гнезда
Название продукта: тройник сварки гнезда
Деталь: Socketweld-тройник/крест
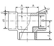
Детали:

Номинальный диаметр

Глубина гнезда

Размер гнезда

Толщина стены

Центр, который нужно основать гнезда
Cmin

Тройник

45°Elbow
DN
NPS
Jmin

d1

3000LB
Sch80
6000LB
Sch160
9000LB
XXS
3000LB
Sch80
6000LB
Sch160
9000LB
XXS
3000LB
Sch80
6000LB
Sch160
9000LB
XXS
6
1/8
10
10,7
3,2
3,5
-
11
11
-
8
8
-
8 1/4 10 14,1 3,3 4,0 - 11 15 - 8 8 -
10 3/8 10 17,5 3,5 4,4 - 13 15 - 8 12 -
15 1/2 10 21,8 4,1 5,2 8,2 16 19 25 11 13 16
20 3/4 13 27,4 4,3 6,1 8,6 19 22 28 13 14 18
25 1 13 34,2 5,0 7,0 10,0 22 27 32 14 18 22
32 1.1/4 13 42,9 5,3 7,0 10,6 27 32 35 18 21 22
40 1.1/2 13 48,3 5,6 7,8 11,2 32 38 38 21 25 25
50 2 13 61,1 6,1 9,5 12,2 38 41 41 25 29 29
65 2.1/2 16 76,9 (73,8) 7,7 12,5 - 41 57 - 29 32 -
80
3 16 89,8 8,3
13,8
-
57 64 -
32
35
-
100
4
19
115,5
9,4
-
-
66
-
-
42
-
-

Контактная информация
Hebei Lufeng Piping Equipment Co., Ltd.

Контактное лицо: Sam

Телефон: +8613031891590

Оставьте вашу заявку